Gambar Kata Bijak Motivasi

Danfoss Hsa3 Wiring Diagram



Danfoss Hsa3 Wiring Diagram - About danfoss contact us home page. Controller dc drives user manuals operating guides specifications. Megavolt jan 20 danfoss hsa3 wiring diagram. Hsa3 3 port mid position valve actuator with spst interlinked type auxiliary switch. Please contact your local customer service center. Downloads follow our global channels keep me updated. Danfoss Hsa3 Wiring Diagram This product is not available in this store. You can also get inspired by our case studies from around the world or take a deep dive into our training program that can help you advance your career and business.


Danfoss Hsa3 Wiring Diagram - Whether you need help finding technical documentation on our products download software or troubleshoot you have come to the right place. I have a danfoss hsa3 actuator on a heating system. If you continue you will be logged in and forwarded to your default danfoss store. Automotive buildings commercial buildings residential.


Related Posts of Danfoss Hsa3 Wiring Diagram :


Maxresdefault Y Plan Wiring Diagram Danfoss Boljasezona

Danfoss Hsa3 3 Port Valve Actuator 087n658700

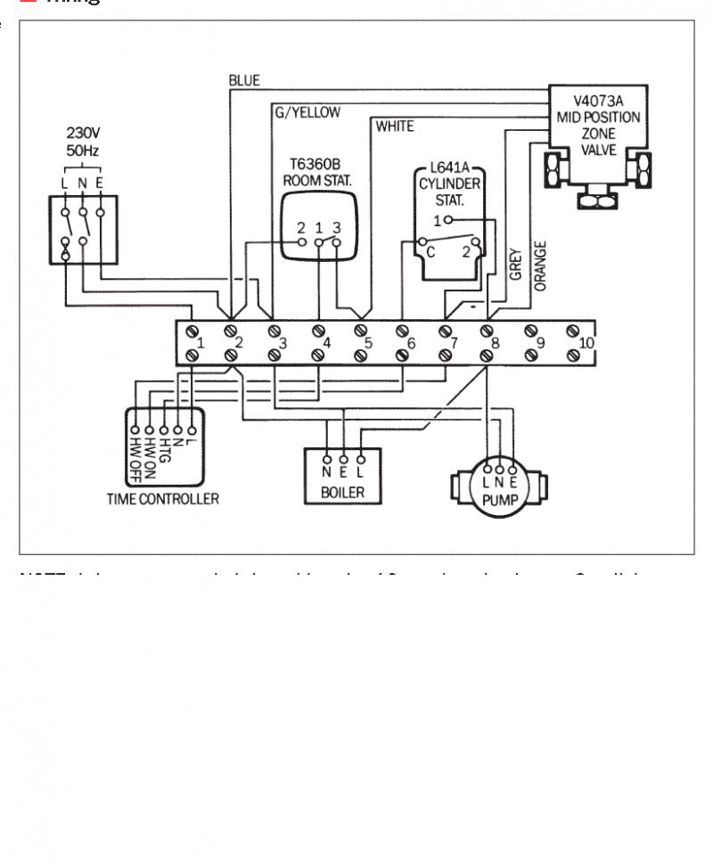
Danfoss Valve Wiring Diagram Ferarriss 50 Althausbittetzutisch De

Just Another Nest Wiring Problem Diynot Forums

Wr 0954 Wiring For Danfoss Randall Fp715 Si Wiring For Danfoss

Danfoss Wiring Diagram Central Heating Central Heating System


17+ Pictures Danfoss Hsa3 Wiring Diagram

Danfoss Wiring Diagram Central Heating Central Heating System

Danfoss hsa3 wiring diagram - To discover the image more evidently in this article, you could click on the preferred image to see the picture in its original dimensions or in full. A person can also see the Danfoss Hsa3 Wiring Diagram image gallery that we all get prepared to discover the image you are searching for.

All of us provide many pictures relevant to Danfoss Hsa3 Wiring Diagram because our web site concentrates on articles or content relevant to Danfoss Hsa3 Wiring Diagram. Please check out our latest article upon the side if a person don't obtain the Danfoss Hsa3 Wiring Diagram photo you are looking regarding. There are various keywords related to be able to and relevant to Danfoss Hsa3 Wiring Diagram right here that you can surf our main page or perhaps homepage.

Hopefully you discover the image you will be looking for and many of us hope you enjoy the Danfoss Hsa3 Wiring Diagram images which might be here, consequently that maybe they could be the inspiration or ideas within the future.

All Danfoss Hsa3 Wiring Diagram images that we provide in this article are usually sourced from the web, so if you get images with copyright concerns, please send your statement on the contact webpage. Likewise with problematic or even damaged image links or perhaps images that don't seem, then you can certainly report this as well. We certainly have provided a kind for you to submit.

Danfoss hsa3 wiring diagram - I would fit a honeywell and require back to the main wiring center. I would fit a honeywell and require back to the main wiring center. View download of more than 3697 danfoss pdf user manuals service manuals operating guides.


Megavolt jan 20 danfoss hsa3 wiring diagram. Hi i had a faulty actuator which i have now replaced however i have lost the original wiring diagram that i made when. Contact add to comparison list remove from comparison list.


Continue to my store stay in current store. If you are looking for danfoss usa product store and catalog which enables you to purchase our products then please select the usa product store button.



Gallery of Danfoss Hsa3 Wiring Diagram :

Honeywell 3 Port Mid Position Valve V4073a 1039 Diynot Forums

Https Encrypted Tbn0 Gstatic Com Images Q Tbn 3aand9gcstncjpztl58hj3ezshhtu13d9v7lryua1grwl3nn3i4yfy V5n Usqp Cau

Https Encrypted Tbn0 Gstatic Com Images Q Tbn 3aand9gcqplvnqeuakawgm4nyvun Hyjc7r5mm8k8zo2fe 1d4jymjvr9i Usqp Cau

Https Encrypted Tbn0 Gstatic Com Images Q Tbn 3aand9gcsxazvnmo4nwy9vytjb5tfroi2n6x0goigr5wemmyl0mbxrbhpw Usqp Cau

Https Encrypted Tbn0 Gstatic Com Images Q Tbn 3aand9gcrvhqwhd0r7esle Dp2rzl3q43uowykxvmb6fl4ppw8hntnto9 Usqp Cau

Danfoss Hsa3 Wiring Diagram - If you are looking for danfoss usa product store and catalog which enables you to purchase our products then please select the usa product store button. Continue to my store stay in current store. Contact add to comparison list remove from comparison list. Hi i had a faulty actuator which i have now replaced however i have lost the original wiring diagram that i made when.

Copyright 2020